Я указал путь, теперь другим осталось только следовать ему и дойти до конца. Луи Бутан (1900)
ПРЕДЫСТОРИЯ
История легендарного брэнда началась задолго до появления первой подводной фотокамеры. Во время одной из экспедиций в начале 1950-го года два известных европейских исследователя сидели на берегу Красного моря и обсуждали будущее дайвинга. Это были Жак-Ив Кусто (Jacques-Yves Cousteau) и Жан де Вутерс д’Оплинер (Jean de Wouters d’Oplinter). Помимо всего прочего разговор шел и о разработке маленькой удобной подводной 35-мм камеры.
В 1943 году военный офицер морского флота Жак-Ив Кусто и инженер Эмиль Ганьян изобрели первый безопасный и эффективный автономный аппарат открытого цикла для дыхания под водой, названный аквалангом, который в дальнейшем Кусто успешно использовал для погружения на глубину до 60 метров без каких-либо вредных последствий для здоровья. В том же году они основали La Spirotechnique (сейчас - Aqualung, Aqua Lung) — первую фирму-производитель легководолазного оборудования. В США названия Aqualung и Aqua Lung является зарегистрированными товарными знаками, принадлежащими в настоящее время компании U.S. Divers. В Европе (как и странах бывшего СССР) товарный знак стал общеупотребительным, и автономное легководолазное снаряжение называется аквалангом. Современные аппараты, использующиеся повсеместно дайверами всего мира называются СКУБА (SCUBA — Self-Contained Underwater Breathing Aparatus). Они отличаются от самых первых аппаратов —аквалангов, изобретённых Кусто. Тем не менее принципиальная схема современного аппарата не претерпела существенных изменений - взято из Wikipedia.
Создателем первой в мире серийной подводной камеры был талантливый инженер-изобретатель Жан де Вутерс (полное имя - Jean Guy Marie Joseph de Wouters d'Oplinter).

Жан де Вутерс родился 27 января 1905 года в Брюсселе (Бельгия) в обеспеченной семье. Его отец в то время был канцлером казначейства в Кабинете Министров Бельгии. В семье было пятеро детей. Жан со своей сестрой-близняшкой Изабель были младшими. Окончив с отличием школу, он на два года (с 1925 по 1926) уходит на службу в армию, откуда увольняется, дослужившись до звания лейтенанта. То время было эпохой стремительного развития авиации, и де Вутерс всерьез увлекся конструированием аэропланов.
Несмотря на то, что юноша не имел технического образования и никогда не изучал математику (был дипломированным экономистом), он делал серьезные математические расчеты для создания летательных аппаратов и применял их на практике. К 1938 году он уже был одним из первых авиаинструкторов в довоенной Бельгии с внушительным количеством разработок для авиации. Один из самолетов, разработанных де Вутерсом, сейчас украшает авиационный музей Бельгии.
Достоверно известно, что ему принадлежит разработка модели планера с изогнутым расположением крыльев. Планер разрабатывался для военной авиации и фактически позволял создать пикирующий бомбардировщик, способный производить бомбометание из вертикального положения (пике), что существенно увеличивало шансы на точное попадание в цель. Изобретение на тот момент не оценили и чертежи без дела пролежали год в Военном ведомстве Бельгии. В 1936 году их заполучила нацистская разведка (вероятно, были украдены), что дало толчок к разработке и созданию самого эффективного немецкого бомбардировщика Второй мировой войны - .
После окончания Второй мировой войны де Вутерс решил больше не иметь ничего общего с авиацией. Он перебрался в Ниццу на юге Франции, где купил дом и менивэн Citroen (который он впоследствии переделал в дом-мастерскую на колесах) и занялся водным спортом и разработкой собственного подводного дыхательного аппарата. Кроме того, он специализировался на создании стереофотографий и параллельно предпринимал попытки сконструировать свою собственную стерео фотокамеру, которая могла бы фотографировать под водой.
Стереофотография — способ получения стереопары изображения при помощи фотографирования. Стереопара — это изображения одного объекта, отснятые с разных точек зрения, обеспечивающие при просмотре получение бинокулярного эффекта — объёмного восприятия. Фактически это то, что сегодня мы называем 3D, а принцип получения стереопары, известный еще с ХІХ века, сейчас используется для 3D-съемки в кинематографии.
В то время уже существовало немало компаний, производивших фототехнику, но ни у одной не было подводной. Толчком к созданию такого аппарата послужило его знакомство (в 1949 году) и сотрудничество с Жак-Ивом Кусто. Кусто оценил инженерный талант и интересные разработки де Вутерса и пригласил его в свою исследовательскую команду. Первые 6 лет де Вутерс занимался разработкой подводных плавательных аппаратов, создал подводный скутер и мини субмарину «La Soucoupe», которые Кусто успешно использовались для исследований в экспедициях и только после этого полностью переключился на разработку подводной фотокамеры.
Начав разработки в 1948 году (перед знакомством с Кусто), исследователь надеялся в будущем наладить производство подводной стереофотокамеры во Франции. Год экспериментов и упорного труда не прошел зря – был создан первый рабочий прототип камеры. «Камера превзошла самые смелые ожидания. Подводный мир передается стереофотографией просто невероятно, эффект от передачи объема намного сильнее, чем от фотографий на суше. Все выглядит очень реалистично» - так описывал свои ощущения изобретатель.
В одном из своих докладов де Вутерс написал: «...с этим прототипом, единственным в своем роде, насколько я знаю, мне посчастливилось принять участие в первых экспедициях Calypso на Корсике и Красном Море ...».
В то время это еще не было коммерческим проектом. Де Вутерс использовал камеру для нужд исследовательских работ Кусто.
Позже, когда он начал работать в La Spirotechnique, коммерческая составляющая внесла в его разработки определенные коррективы.
СОЗДАНИЕ CALYPSO PHOT
До изобретения акваланга глубоководные погружения были занятием опасным и вредным для здоровья. Будучи человеком дальновидным, де Вутерс понимал, что с новым изобретением Кусто и Ганьяна дайвинг должен стать массовым увлечением, а соответственно все (ну или почти все) дайверы могут стать потенциальными покупателями подводного фотоаппарата.
Для того, чтобы иметь возможность сделать подводную камеру по доступной цене, она должна производиться серийно в больших количествах. Однако рынок подводной съемки в то время был очень мал. Таким образом стало понятно, что камера должна быть не просто подводной, она должна быть универсальной амфибией, которую можно использовать и на суше. Перед де Вутерсом была поставлена непростая задача создать лучший во Франции фотоаппарат, который ко всему прочему должен быть водонепроницаемым.
La Spirotechnique полностью полагались на талант инженера, предоставив ему достаточное финансирование и полную свободу действий в создании прототипа. В 1956 году де Вутерс приступил к работе. После трех месяцев изучения стало понятно, что камера в том виде, в котором она есть, для серийного производства непригодна и нужно менять концепцию. В первую очередь из-за сложности в производстве, и, как следствие, дороговизны пришлось полностью отказаться от идеи стереофотографии. В конце концов после нескольких месяцев работ были выбраны компромиссные решения, лишенные изначальных сложностей, и определены ключевые требования:
- Конструкция камеры должна быть существенно усилена, но вместе с тем и изрядно упрощена. Прежде всего решено было отказаться от центрального затвора и сократить количество элементов управления (которые проходили через корпус и должны были быть водонепроницаемыми и не чувствительными к давлению воды) до минимума.
- Камера не должна была быть больше своих «сухопутных» конкурентов и должна иметь привлекательный внешний вид даже после многократных пребываний в соленой воде.
- Камера должна быть пригодной для использования как под водой, так и на суше, и в горах (сменная оптика).
- По возможности внедрить автоматическое управление некоторыми параметрами.
- Камера должна быть доступной по цене.
Многие выше изложенные требования уже сами по себе были взаимоисключающими и сложно реализуемыми. Так что, опираясь на сценарии использования камеры, нужно было прийти к компромиссу. Результатом разработки стало появление в 1957 году настоящей камеры-амфибии - Spiro etanche (кроме этого, для прототипа существовало еще одно название – Phot 112). Название Calypso Phot появилось позже - в 1958 году, в честь экспедиционного судна Calypso Жака Кусто, и именно с таким названием было решено начать её серийное производство.

Де Вутерс демонстрирует прототип камеры Spiro etache

"Камера SPIRO etanche, результат пяти лет разработок, появится в продаже с осени 1961 года по цене 666 немецких марок" - надпись на рекламной листовке 1960-го года. Не стоит удивляться - реклама того времени часто опережала выпуск реальных продуктов. Обратите внимание - длина минимальной выдержки, указанной в характеристиках - 1/300 сек.

Еще одна, на этот раз, французская реклама камеры с названием PHOT-112. В рекламном проспекте указано, что в ближайшее время будут представлены объективы 28, 45, 90 и 135mm.

Еще одна французская реклама. Здесь уже реальное название - Calypso Phot (но на фотографии не серийный образец - обратите внимание на надпись с названием).
Здесь стоит упомянуть, что CalypsoPhot – это дальномерная малоформатная фотокамера. Именно такой класс камеры позволял максимально упростить конструкцию и добиться невысокой цены при хорошем качестве изображения.
Тем не менее, несмотря на окончание фактических разработок, Calypso Phot пока оставался прототипом. Причиной было желание де Вутерса выявить все возможные «детские болезни» камеры. Кроме того, еще некоторое время заняла разработка комплектной оптики. С 1958 по 1960 год было разработано по меньшей мере две концептуальные схемы объектива.
И наконец, 27 января 1960 года в Париже компания La Spirotechnique подала патент на Calypso Phot, а в 1961 году камера была официально представлена и запущена в производство. Рисунки, добавленные ниже в статье, – часть приложения к патенту.
Сама камера производилась на небольшом предприятии ATOMS (Association de Techniciens en Optique et Mecanique Scientifique) в Ницце, а производство оптики было отдано известной французской компании (Société d'Optique et de Mécanique Berthiot – самый именитый и авторитетный производитель кинематографической и фотографической оптики во Франции – прим. авт.). Первый комплектный объектив был 35mm F/3,5 (созданный по оптической схеме Tessar). Чуть позже La Spirotechnique анонсировала разработку для камеры еще четырех объективов – 28mm, 45mm, 90mm и 135mm, но в массовое производство они запущены не были. Однако компанией была выпущена очень ограниченная партия объективов Angenieux 45mm / f.2.8, но они очень редко встречались даже в начале 60-х годов.

Рекламный проспект в журнале 1961-го года с предложением заказать доставку камеры.
Поскольку конструкция предполагала высокую степень защиты от холода, жары, песка и воды, камера сразу же получила второе имя – «Фото Джип» и стала предшественницей «всепогодных камер», ставших популярными впоследствии.
Сейчас, глядя на полностью механическую с аналоговым управлением камеру, сложно оценить новаторство и гениальность идей де Вутерса. Но в 50-60-е годы ХХ столетия это была революция «камеростоения». Попытки сделать камеру, способную снимать под водой, предпринимались неоднократно. Но практически все они сводились к гидроизоляции существующих «сухопутных» фотоаппаратов, попытке создать уникальный дополнительный корпус, который способен защитить камеру, находящуюся в нем.


Примеры первых подводных боксов для фотокамер (1950-е годы). Пользоваться ими было очень не удобно. Все манипуляции под водой производились, фактически, "вслепую".
Но разработки де Вутерса имели принципиально новый подход, а инженерные решения были простыми, но вместе с тем гениальными….
КОНСТРУКЦИЯ И КОМПОНЕНТЫ CALYPSO PHOT

Первая серийная камера Calypso Phot, 1961 - вид спереди

Первая серийная камера Calypso Phot, 1961 - вид сбоку

Первая серийная камера Calypso Phot, 1961 - вид сзади
Корпус
Конструктивно камера состояла из трех основных элементов, которые герметично скреплялись между собой в единую конструкцию. Для того, чтобы защитить камеру от внешнего давления воды, был разработан компактный двухмодульный металлический корпус, третьим модулем служил объектив. При чем внешний модуль служил фактически защитным кожухом, к которому крепились объектив и основной модуль со всеми органами управления. Благодаря такой конструкции решалось несколько основных инженерных задач.


Во-первых, простота и надежность конструкции. Весь основной блок, в котором находились механизм протяжки пленки и шторный затвор с усилием вставлялся во внутрь внешнего модуля. В качестве изолирующего слоя служил закрепленный на нем уплотнитель, то есть для защиты внутренностей камеры от влаги не нужно было ничего прикручивать – изоляция обеспечивалась простой резиновой прокладкой. Естественно, чем глубже в воде опускался фотограф, тем больше давление сжимало корпус камеры, тем самым обеспечивая еще более надежную гидроизоляцию.

Во-вторых, благодаря конструкции с независимыми модулями, деформация корпуса от давления, которая возникала при погружении, не затрудняла протяжку пленки и не влияла на фокусное расстояние. Как видно на рисунке выше, в закрытой камере внутренний модуль не соприкасается с внешним в задней части корпуса, и лентопротяжный механизм не придавливается. В свою очередь, объектив крепится и фиксируется одновременно и к внешнему, и к внутреннему модулю, что служит дополнительной защитой от деформации при давлении. Благодаря этому даже в случае деформации от сильного давления фокусное расстояние меняться не будет.
Для того, чтобы зарядить пленку в камеру, ее нужно было разобрать. Сначала снять объектив, после чего с помощью боковых рычагов, которые служили ушками для крепления ремешка камеры, отделить верхнюю часть от нижней и вынуть её из внешнего модуля.

Рычаги для вскрытия камеры
Сам корпус камеры был алюминиевый и достаточно тяжелый (вес без объектива – 700 грамм). В нижней части находилось прозрачное окошко со счетчиком отснятых кадров и разъем для подключения внешней электрической вспышки. С камерой, гарантировано, можно было погружаться на глубину до 150 футов (50 метров).


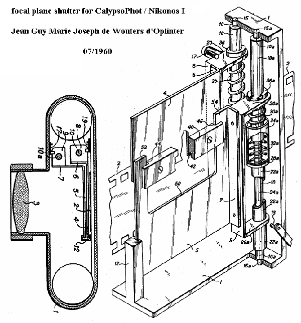
Затвор
В середине ХХ столетия практически все фотокамеры оснащались двумя основными типами затворов – центральным или шторным. Центральный затвор слишком подвержен коррозии, а шторки слишком уязвимы к воздействию влаги (в то время для подавляющего большинства камер они делались из ткани). Специально для Calypso Phot был разработан уникальный шторный затвор. Он состоял из двух анодированных металлических пластин, которые закрывались вертикально (по принципу гильотины). Каждая из шторок приводилась в действие пружинным механизмом и была оснащена амортизирующей пружиной для смягчения удара при срабатывании.

Схема шторного затвора Calypso Phot (рис. 1)

Схема шторного затвора Calypso Phot (рис.2)
Диапазон выдержек регулировался в пределах от 1/1000 до 1/30 секунд. Кроме того, имелся режим ручной выдержки BULB. Конструкция была простая, но при этом мало уязвимая к воздействию агрессивной внешней среды. Спуск затвора производился не кнопкой, а рычагом. Механизм протяжки пленки для смены кадра приводился в действие одним нажатием на рычаг. Потом рычаг нужно было отпустить и нажать еще раз. Второе нажатие активировало спуск затвора.

Диск управления длиной выдержки, совмещенный с рычагом спуска затвора (слева) и рычаг таймера спуска затвора (справа - рядом с горячим башмаком)
Для камеры был разработан таймер спуска затвора, принцип работы которого походил на принцип срабатывания механического будильника. Эта функция не актуальна под водой, но для «надводной» съемки была весьма востребована.
Система протяжки пленки
Кроме того, для камеры была разработана своя система протяжки пленки. Де Вутерс неоднократно сталкивался с ситуацией, когда по тем или иным причинам пленка обрывалась внутри камеры. Разрыв пленки обычно происходил в местах перфорации при перекосе/смещении кадра относительно зубьев колесика протяжного механизма. Для того, чтобы снизить риск разрыва пленки под водой, было решено отказаться от зубчатого колеса, которое обычно служило счетчиком кадров. Таким образом внутри корпуса располагался только один (а не два или три, как у конкурентов) управляющий элемент, которым обеспечивалось несколько ключевых функций: регулировка затвора, протяжка пленки, отсчет кадров и блокировка реверса.

Пленка крепилась к гладкому с прорезью для закрепления начала пленки колесу принимающей катушки. Счетчик кадров был совмещен с ней и «переводился» поворотом рычага затвора, прокрутка кадра регулировалась специальным рычажком (fig.5 на схеме выше). Благодаря такому решению разработчик добился двух дополнительных преимуществ:
- во-первых, это позволяло сэкономить немного внутреннего пространства, уменьшив габариты камеры
- во-вторых, отпала необходимость в установке блокировочного механизма обратной перемотки пленки (то есть отказаться от одного дополнительного водонепроницаемого элемента). При окончании пленки ее можно было просто смотать обратно, счетчик кадров при этом обнулялся.
ОБЪЕКТИВ ДЛЯ CALYPSO PHOT
Еще одна гениальная разработка – водонепроницаемый объектив. Первый объектив, разработанный в 1958 году, выглядел не так, как серийный (он тоже производился на SOM Berthiot). К сожалению, живых фото найти не удалось, но есть предложенная де Вутерсом инженерная схема:

Комплектный объектив для Calypso Phot, разработанный до 1958 года. Изменение значений диафрагмы и дистанции фокусировки производились при помощи двух поворотных металлических стержней (обозначены красными стрелками).
Через год, в 1959 году, де Вутерсом была предложена конструкция объектива, которая использовалась Nikon при разработке подводных объективов в течении 40 лет, вплоть до прекращения производства подводных камер Nikonos.

Надежное герметичное соединение байонета обеспечивалось резиновым кольцом-прокладкой O-Ring (обозначено зелеными стрелками). При установке объектива он до упора прижимался к корпусу камеры и проворачивался на 90 градусов. Расширения объектива, заходя в пазы внутреннего модуля, обеспечивали его надежную фиксацию как внутри, так и снаружи (обозначены синими стрелками).
Кроме того, это позволяло избежать изменения фокусного расстояния вследствие деформации корпуса камеры от давления на глубине. Изменения фокусного расстояния и значений диафрагмы осуществлялись двумя вращающимися ручками (обозначены красными стрелками). При чем, чтобы не путаться под водой в процессе съемки, на внешней части объектива были нанесены визуальные маркеры, указывающие, какая из ручек отвечает за диафрагму, а какая за фокусное расстояние.

Все эти инженерные решения позволяли дайверу управлять камерой под водой, не снимая перчаток. Наружная часть объектива закрывалась прочным стеклом, выдерживающим высокое давление.
Камера и оптика для нее производились во Франции до 1963 года. На старте продаж ее цена была около 160 долл. США, что было более чем вдвое ниже, например, цены Leica M3.
За два года La Spirotechnique выпустили три модификации камер. Первая версия отличалась от второй лишь косметически. В первой версии металлические части корпуса были окрашены глянцевой черной краской, а надписи с названием и серийным номером были нанесены белой краской. Во второй версии корпус стал матовым черным, а название и серийный номер были выгравированы на металлической пластине, прикрепленной к корпусу.

Calypso Phot - первая (слева) и вторая (справа) модификации.
В третьей версии минимальная выдержка была «урезана» с 1/1000 до 1/500 секунды, чтобы обеспечить большую долговечность затвора (кроме того, как показала практика использования, выдержка в 1/1000 секунды для подводной съемки малоприменима).
В 1963 году La Spirotechnique продала патент на производство камеры японскому гиганту Nikon. Жан де Вутерс отправился в Японию, где с его помощью в течении почти двух лет Nikon дорабатывали камеру. В последствии камера еще долгое время продавалась в Европе под брендом Calypso/Nikkor, а в Америке и Азии – под брендом Nikonos. От объективов SOM Berthiot японская компания сразу отказалась, разработав свою оптику.

Calypso Phot - третья модификация (слева) и Nikonos I (справа).
Это было началом истории большого успеха…
Вторая часть статьи - здесь.
Третья часть статьи - здесь.











Комментарии
Комментариев нет